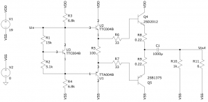
currentStage

電力増幅回路